Comencemos por lo básico, reconocer la diferencia entre un fusible y una pastilla termomagnética.
El primero, cuenta con una estructura básica que es un listón de metal dentro de una carcasa de vidrio o cerámica, cuyo propósito es permitir el paso de corriente eléctrica. Sin embargo, cuando se presenta una sobrecarga, el listón se calienta y se quema, impidiendo el paso de electricidad.

El segundo, funciona a base de un electroimán que al producirse un aumento rápido e inesperado de corriente, se produce un campo magnético capaz de mover el interruptor cortando la energía. Adicionalmente, cuenta con una lámina bimetálica que al presentarse una sobrecarga gradual produce su deformación accionando mecánicamente al interruptor e impidiendo el paso de corriente.

Otra ventaja de este tipo de dispositivo, es que cuando se corta la luz, no es necesario reemplazar nada como sucede con un fusible, solo se baja el interruptor y se vuelve a subir para reestablecer el servicio de energía. Como se aprecia, este dispositivo proporciona protección a los aparatos eléctricos y practicidad para el o la usuaria de reponer la electricidad de forma sencilla. Dicho esto, hoy en día muchos usuarios están sustituyendo su interruptor de fusibles por uno termomagnético.
Para poder concretar esta labor, lo primero es contar con herramienta de excelente calidad que facilite la actividad, así como el que brinde seguridad. Solo las herramientas con aislamiento de 1000V salvaguardan la integridad del usuario cuando éste entra en contacto con una fuente energizada debido a su exposición ante un choque eléctrico.
Pinza de electricista modelo 2139NERINS:
Cortan cable de cobre #8 AWG, aluminio y otros metales blandos. Cuenta con cuchillas de corte templadas por inducción para una vida útil prolongada, mordazas moleteadas para un agarre seguro, unión remachada en caliente que garantiza una acción uniforme sin juego en los mangos y gracias a que el remache está próximo a las cuchillas, ofrecen 46% más potencia de corte.

Desarmadores aislados con las siguientes características:
Disponibles en puntas Cabinet, Phillips o Cuadrada, proporcionan protección contra descargas eléctricas. Su mango acojinado brinda comodidad y mayor torsión. Cuentan con orificio para correa que evita caídas principalmente en trabajos de altura. Su base con sistema Tip-Ident™ ayuda a identificar rápidamente el tipo y orientación de la punta.
Ahora sí, revisemos el procedimiento:
a) Solicitar el corte de energía con el proveedor local del país.
Antes de continuar, es básico y de suma importancia basar la instalación conforme la normatividad aplicable para cada país. Por lo que será necesario voltear a revisar las especificaciones que se mencionan en tal documento y apegarse 100% a tales criterios. De lo contrario, las autoridades correspondientes podrían emitir sanciones de las cuales no se desea hacerse acreedor.
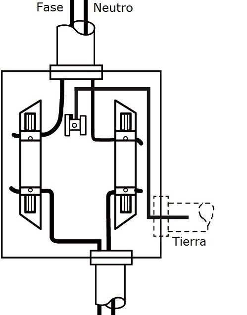
b) Retirar la fase y neutro (conector superior e inferior), así como el conductor de puesta a tierra. Aflojar los tornillos que sostienen la caja de fusibles de la madera donde está montada y proceder a retirarla.

c) Instalar la nueva caja e introducir los cables (fase y neutro) provenientes del interior del domicilio, así como los provenientes del medidor. La tierra proveniente de la varilla que completa el circuito es independiente.
La fase del medidor se conecta a la acometida del interruptor termomagnético, el neutro se conecta a la placa correspondiente, o en su caso, directo al neutro del interior del domicilio (empalmándolo con una unión tipo “cola de rata”).
Para conectar la fase proveniente del interior de la casa, se debe ubicar en la pastilla el punto de salida, así como su medio de unión. Por lo general, bastara con atornillar el conductor o simplemente insertar en la rendija correspondiente y apretar el tornillo que lo oprime.
Listo, la pastilla se inserta a presión en la rendija del centro de carga para lograr un contacto firme con la zapata donde previamente se conectó la fase del medidor.

Por último, la línea de herramientas aisladas de nueva generación también incluye:
Modelo 11055RINS pinza peladora y cortadora de cable: Pela y corta cable sólido 10-18 AWG y 12-20 trenzado AWG, corta tornillos 6-32 y 8-32. Cuenta con agujeros peladores con rectificado a precisión, agujeros para enlazar y doblar cable, resorte en espiral que proporciona una apertura automática y rápida y mangos Klein-Kurve™ cómodos que reducen la fatiga en la mano.

Modelo 2288RINS pinza de corte diagonal: Cuenta con cuchillas templadas por inducción, diseño de alta palanca brindando 36% mayor potencia de corte, filos biselados en cuchillas que permiten cortes limpios, remachado en caliente para una acción suave, uniforme y sin juego en los mangos.

Todas las herramientas aisladas, cumplen o superan las normas ASTM F1505 e IEC 60900.
¡Recuerda que Klein Tools es tu mejor aliado ante cualquier proyecto de electricidad!

